• AG凯发K8

    CKCS252010
    储能
    表面贴装,小型、超薄电感器
    大功率,高饱和,低电阻之特性
    合金材质磁芯.
    磁性胶水涂敷结构极大减少了噪声, 闭合磁路结构设计,漏磁少,抗EMI能力强.
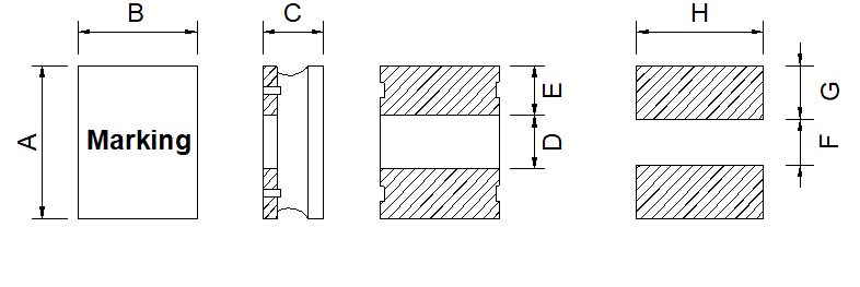
    产品信息
    测试参数
    阻抗曲线
    插入损耗
    回波损耗
    L频率
    TL RMS
    饱和电流
    Scc21参数
    Ssd21参数
    共模抑制
    漏感频率
    Q值曲线
    产品用途
    PAD,笔记本电脑,服务器,音箱,网通,安防,手机,智能家居,储能设备等
    产品参数
    样品申请
    系列
    型号
    PDF
    电感值
    (μH)
    电感/
    阻抗公差
    测试条件
    DCR
    (mΩ)MAX
    用途
    状态
    工作温度
    (℃)

    (mm)

    (mm)

    (mm)
    封装
    屏蔽
    材质
    磁胶电感
    CKCS252010-0.47uH/N-010
    0.47
    ±30
    1MHz/0.2V
    82
    消费品
    量产
    -40~125
    2.5
    2
    1.05
    SMD
    Y
    铁镍合金
    磁胶电感
    CKCS252010-1uH/N
    1
    ±30
    1MHz/0.2V
    108
    消费品
    量产
    -40~125
    2.5
    2
    1.05
    SMD
    Y
    铁镍合金
    磁胶电感
    CKCS252010-1.5uH/N
    1.5
    ±30
    1MHz/0.2V
    182
    消费品
    量产
    -40~125
    2.5
    2
    1.05
    SMD
    Y
    铁镍合金
    磁胶电感
    CKCS252010-2.2uH/N
    2.2
    ±30
    1MHz/0.2V
    209
    消费品
    量产
    -40~125
    2.5
    2
    1.05
    SMD
    Y
    铁镍合金
    磁胶电感
    CKCS252010-3.3uH/M
    3.3
    ±20
    1MHz/0.2V
    328
    消费品
    量产
    -40~125
    2.5
    2
    1.05
    SMD
    Y
    铁镍合金
    磁胶电感
    CKCS252010-4.7uH/M
    4.7
    ±20
    1MHz/0.2V
    563
    消费品
    量产
    -40~125
    2.5
    2
    1.05
    SMD
    Y
    铁镍合金
    磁胶电感
    CKCS252010-5.6uH/M
    5.6
    ±20
    1MHz/0.2V
    563
    消费品
    量产
    -40~125
    2.5
    2
    1.05
    SMD
    Y
    铁镍合金
    磁胶电感
    CKCS252010-6.8uH/M
    6.8
    ±20
    1MHz/0.2V
    896
    消费品
    量产
    -40~125
    2.5
    2
    1.05
    SMD
    Y
    铁镍合金
    注释
    1. All test data is reference to temperature 20±5℃, humidity 60%~80%RH ambient.
        所有测试数据均参照20±5℃,60%~80%RH环境。
    2. * Isat: DC current (A) that will cause L to drop approximately 30%.
        饱和电流:导致L下降约30%的直流电流(A)。
    3. * Irms: DC current (A) that will cause an approximate△T of 40℃.
        温升电流:导致温度变化大约40℃的直流电流(A)。
    保存
    产品在包装中的保存条件:温度 5~40°C,相对湿度小于等于 70%。
    如果取出使用,剩余的产品请用胶袋密封按照以上条件保存,避免端子(电极)氧化,影响焊接状态。
    产品储存期不建议超过 12 个月,在其他影响下,端子可能会退化,导致焊接性差。
    请不要将产品保存于高温、高湿、有尘埃、腐蚀性气体的不适合环境中。
    请小心轻放,避免由于产品的跌落或取用不当而引致的损坏。
    手上的油脂会导致可焊性降低,应避免用手直接接触端子。
    相关产品